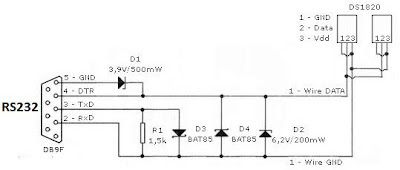
Budowa adaptera 1-wire

W czwartek dotarł adapter USB/RS232. Pojechałem do sklepu elektronicznego i kupiłem elementy potrzebne do zbudowania interfejsu RS232/1-wire ( Co to jest 1-wire ? ). Piątkowy późny wieczór poświęciłem na polutowanie wszystkiego w całość.

Do dyspozycji miałem lutownice transformatorową, którą już troszkę się nalutowałem, także lutowanie „na pająka” poszło bez większych komplikacji.

Całość bardzo ładnie zmieściła się w obudowie. Na wyjście dałem skręcane złącze ARK, które zostało po innych projektach w kartonie z elektro-częściami, przyklejone „superglue” do obudowy.

 

Dzisiaj najprawdopodobniej dotrą do mnie 2 czujniki temperatury, także przystąpię do testów i napisania webowej aplikacji, która zrobi z wynikami co trzeba 🙂

4 komentarze

  1. rafalll1984 pisze:

    Wydaje mi się, że można było to łatwiej zrealizować
    openrouter.info/index.php?option=com_content&view=article&id=270:sterowanie-liniami-gpio-w-openwrt&catid=47:artykuy&Itemid=61 – Magistarala 1-Wire, pisze, że wydaje mi się ponieważ zaczynam dopiero z elektroniką.

  2. Konstanty pisze:

    Można też kupić konwerter polskiej firmy mera-projekt za 75 zł meraprojekt.com.pl/mp00206.html
    Sprawdzony.

  3. Wojciech Roszkowski pisze:

    Świetnie napisane. Pozdrawiam serdecznie.

Dodaj komentarz

Twój adres e-mail nie zostanie opublikowany. Wymagane pola są oznaczone *